test
Via Provinciale Sud, 5 - Bagnolo in Piano (RE) Italy
itfren

MONOPARETE ACCIAIO INOX AISI 316L AD INNESTO RAPIDO CON FASCETTA DI BLOCCAGGIO

Serie Mat
Specifica del materiale
Diametro interno (mm): 80•100•120•130•140•150•160•180•200•230•250•300•350•400
Parete interna Spessore nominale 0.5mm

QualitĂ  1.4404 (Acciaio Inox AISI 316L)

Resistenza termica di parete m2K/W a 200°C Senza isolamento = 0,00
Anello di tenuta Guarnizione profilata ad anello con tre labbra di tenuta di silicone nero rispondente alla UNI EN 14241/1
RugositĂ  Valore medio 1mm
Informazioni generali
Installazione Interna Si

Esterna NO non resiste alla penetrazione dell’acqua piovana

Campi di applicazione Condotti, camini, canali da fumo, collettori e canne fumarie collegati a caldaie ad aria soffiata, atmosferiche, pressurizzate, apparecchi di tipo B, C, condensazione, caminetti, stufe, cappe cucine, forni e condotti di ventilazione
Combustibili ammessi T200 Gas, Gasolio, GPL, Pellet

T600 Gas, Gasolio, GPL, Pellet e Legna

Conservazione In ambienti dove l’atmosfera non sia corrosiva
Garanzia sul prodotto Come da direttiva 99/44/CE
Sostanze pericolose Nessuna
Resistenza gelo – disgelo Soddisfatto UNI EN 1856-1
Contatto accidentale E’ necessario l’utilizzo di schermi protettivi quanto la temperatura superficiale di parete è superiore a 70°C
Stoccaggio Non stoccare il materiale in vicinanze di materiali ferrosi, gli ambienti devono essere asciutti e protetti dagli agenti atmosferici
Limiti di impiego Ambienti come lavanderie, tintorie, pelliccerie, tipografie, saloni di cosmesi o dove ci sia la presenza di vapori alogeni o cromati è sconsigliato l’utilizzo di sistemi fumari in acciaio inox
Designazione del prodotto secondo la norma EN 1856-2 Condotto Canale da fumo
N° della norma EN 1856-2 EN 856-2
Livello di temperatura T200 T200
Livello di pressione P1 P1
Resistenza alla condensa W W
Resistenza alla corrosione V2 V2
Sp. della parete interna L50050 L50050
Resistenza al fuoco da dentro e distanza dai materiali combustibili O O(30) M
Designazione del prodotto secondo Norma EN 1856-2: Condotto Canale da fumo
N° della norma EN 1856-2 EN 1856-2
Livello di temperatura T600 T600
Livello di pressione N1 N1
Resistenza alla condensa D D
Resistenza alla corrosione V2 V2
Sp. della parete interna L50050 L50050
Resistenza al fuoco da dentro e distanza dai materiali combustibili G G(600) M
Requisiti di prestazione secondo la designazione
Livello di temperatura T200

T600

funzionamento con temperatura nominale dei fumi minore di 200°C

funzionamento con temperatura nominale dei fumi minore di 600°C

Livello di pressione P1

N1

funzionamento com pressione positiva e negativa fino a 200Pa. Perdita ammissibile minore di 0,006 l/m2 

funzionamento con pressione positiva e negativa fino a 40Pa. Perdita ammissibile minore di 2,0l/sm2

Resistenza alla condensa W

D

funzionamento con fumi umidi e secchi

funzionamento con fumi secchi

Resistenza alla corrosione V2  V2 funzionamento con Gas-Gasolio-GPL-Pellet-Legna
Specifica della parete interna L50 L50 spessore nominale 0,5 mm
Spessore della parete interna O non resiste al fuoco da dentro
Resistemza al fuoco da dentro G resiste al fuoco da dentro
Distanza dai materiali  combustibili (30) M

(600) M

(30)=minimo 30mm; M= valore ottenuto mediante prova di laboratorio

(600)=minimo 600mm; M= valore ottenuto mediante prova di laboratorio

INSTRUZIONI DI INSTALLAZIONE

MAT-installazione

  • Posizionare gli elementi come indicato dalla freccia stampigliata sull’etichetta e riportata sul pezzo.
  • Con utilizzo a T200_P1_W posizionare l’anello di tenuta nell’apposita sede posta nella bicchieratura femmina.
  • L’anello di tenuta deve essere posizionato con le tre labbra rivolte verso l’interno della tubazione.
  • Per non danneggiare la stessa e per facilitare l’inserimento deve essere utilizzato del talco o del sapone.
  • Nel caso di utilizzo T600_N1_D utilizzare il prodotto senza l’anello di tenuta.
  • Dopo aver innestato i pezzi montare e serrare l’apposita fascetta di bloccaggio ad ogni congiunzione.
  • Rispettare i carichi a compressione e le installazioni non verticali.
  • Evitare ristagni di condensa o fuliggine che potrebbero essere causa di corrosione. Inoltre evitare tratti orizzontali e comunque installare gli elementi con la saldatura longitudinale rivolta verso l’alto (pendenza 3%).

CARATTERISTICHE ESSENZIALI

Resistenza al carico del vento:

  • Distanza tra le staffe a muro: NPD m
  • Lunghezza libera dall’ultima staffa: NPD m

Resistenza a compressione:

  • Carico massimo elementi lineari: 8m
  • Carico massimo raccordo retto a 90°: 8m
  • Carico massimo supporto camino a muro: 8m

N.B. i valori sopra riportati si riferiscono alla condizione peggiore. Per maggiori informazioni vedi (Tabella Resistenza meccanica)

Resistenza a trazione e flessione (elementi lineari):

  • Carico massimo a trazione (mezzi di connessione degli elementi e dei raccordi del camino): 16m
  • Installazioni non verticali: max. 90°
  • Installazioni non verticali: distanza tra i supporti camino a muro = 2m

Resistenza a trazione e flessione (elementi non lineari):

  • Installazioni non verticali: NPD

MANUTENZIONE SISTEMI FUMARI

Manutenzione programmata effettuata da personale qualificato:

  • Fatte salve diverse disposizioni normative e accordi con gli utenti si consiglia la seguente scadenza di manutenzione:
    • combustibili gassosi: 1 / anno;
    • combustibili liquidi: 1 / 6 mesi;
    • combustibili solidi: 1 / mese.
  • Pulizia mediante scovolo in plastica morbida o spugna del canale da fumo, del vano tecnico per l’adduzione e la ventilazione dei condotti, del raccordo ispezione, del comignolo, verifi ca del libero defl usso dei fumi e dei condensati, ecc.

COMPONENTI DEL SISTEMA

ELEMENTO LINEARE DA 1 M

Componente modulare di altezza 995 mm da utilizzare in tratti verticali o sub-orizzontali. Deve essere applicato come indicato dalla freccia stampata sull’etichetta.

MAT-elemento-lineare

Codice Dn A B
4410 0080 80 995 40
4410 0100 100 995 40
4410 0120 120 995 40
4410 0130 130 995 40
4410 0140 140 995 40
4410 0150 150 995 40
4410 0160 160 995 40
4410 0180 180 995 40
4410 0200 200 995 40
4410 0230 230 995 40
4410 0250 250 995 40
4410 0300 300 995 40
4410 0350 350 995 40
4410 0400 400 995 40

ELEMENTO LINEARE DA 0,5 M

Componente modulare di altezza 495 mm da utilizzare in tratti verticali o sub-orizzontali. Deve essere applicato come indicato dalla freccia stampata sull’etichetta.

Codice Dn A B
4405 0080 80 495 40
4405 0100 100 495 40
4405 0120 120 495 40
4405 0130 130 495 40
4405 0140 140 495 40
4405 0150 150 495 40
4405 0160 160 495 40
4405 0180 180 495 40
4405 0200 200 495 40
4405 0230 230 495 40
4405 0250 250 495 40
4405 0300 300 495 40
4405 0350 350 495 40
4405 0400 400 495 40

ELEMENTO LINEARE DA 0,25 M

Componente modulare di altezza 245 mm da utilizzare in tratti verticali o sub-orizzontali. Deve essere applicato come indicato dalla freccia stampata sull’etichetta.

Codice Dn A B
4402 0080 80 245 40
4402 0100 100 245 40
4402 0120 120 245 40
4402 0130 130 245 40
4402 0140 140 245 40
4402 0150 150 245 40
4402 0160 160 245 40
4402 0180 180 245 40
4402 0200 200 245 40
4402 0230 230 245 40
4402 0250 250 245 40
4402 0300 300 245 40
4402 0350 350 245 40
4402 0400 400 245 40

ELEMENTO SCORREVOLE

Componente utilizzato nei tratti sub orizzontali o verticali, dove non è possibile utilizzare un elemento lineare standard a causa di una distanza non defi nita. Può essere inserito in tutti gli elementi lineari in quanto scorre al loro interno. Si consiglia di utilizzarlo solo per impianti fumari in depressione e a secco. Nel caso in cui si utilizzi in verticale è necessario posizionare, al di sopra, un supporto camino a muro (4519).

MAT-elemento-scorrevole

Codice Dn A B
4499 0080 80 495 78
4499 0100 100 495 98
4499 0120 120 495 118
4499 0130 130 495 128
4499 0140 140 495 138
4499 0150 150 495 148
4499 0160 160 495 158
4499 0180 180 495 178
4499 0200 200 495 198
4499 0230 230 495 228
4499 0250 250 495 248
4499 0300 300 495 298
4499 0350 350 495 348
4499 0400 400 495 398

RACCORDO RETTO A 90° – INNESTO FEMMINA

Componente che permette di allacciare a 90° il condotto,camino, canna fumaria al canale da fumo. La particolarità di questo elemento è che viene ottenuto tramite estrusione permettendo così di poter saldare in continuo l’innesto femmina.

MAT-raccordo-retto-90-femmina

Codice Dn A B A/2
4506 0080 80 328 40 164
4506 0100 100 328 40 164
4506 0120 120 328 40 164
4506 0130 130 328 40 164
4506 0140 140 328 40 164
4506 0150 150 328 40 164
4506 0160 160 328 40 164
4506 0180 180 495 40 247,5
4506 0200 200 495 40 247,5
4506 0230 230 495 40 247,5
4506 0250 250 495 40 247,5
4506 0300 300 495 40 247,5
4506 0350 350 595 40 297,5
4506 0400 400 595 40 297,5

per innesto maschio COD 4546

RACCORDO RETTO A 90 RIDUZIONE DIAM 80 – INNESTO FEMMINA

Componente che permette di allacciare a 90° il condotto, camino, canna fumaria al canale da fumo con diametro 80 mm. La particolarità di questo elemento è che viene ottenuto tramite estrusione permettendo così di poter saldare in continuo l’innesto femmina.

MAT-raccordo-retto-90-rid80-femmina

Codice Dn A B A/2
4527 0080 80 328 40 164
4527 0100 100 328 40 164
4527 0120 120 328 40 164
4527 0130 130 328 40 164
4527 0140 140 328 40 164
4527 0150 150 328 40 164
4527 0160 160 328 40 164
4527 0180 180 328 40 164
4527 0200 200 328 40 164
4527 0230 230 328 40 164
4527 0250 250 328 40 164
4527 0300 300 328 40 164
4527 0350 350
4527 0400 400

per innesto maschio COD 4528

RACCORDO OBLIQUO A 135° – INNESTO MASCHIO

Componente che permette di allacciare a 135° il camino, canna fumaria al canale da fumo. Per la sua conformazione può essere utilizzato per fumi secchi e in depressione N1-D.

MAT-raccordo-obliquo-135-maschio

Codice Dn A B C D E
4507 0080 80 328 40 100 200 149
4507 0100 100 328 40 100 210 149
4507 0120 120 328 40 100 235 173
4507 0130 130 495 40 120 360 261
4507 0140 140 495 40 120 360 261
4507 0150 150 495 40 132 360 262
4507 0160 160 495 40 120 360 261
4507 0180 180 495 40 120 360 261
4507 0200 200 495 40 132 360 262
4507 0230 230 495 40 120 360 261
4507 0250 250 615 40 152 460 332
4507 0300 300 615 40 152 460 332
4507 0350 350 760 40 180 580 382
4507 0400 400 760 40 180 580 424

 RACCORDO A TRAMOGGIA

Componente utilizzato per raccordare sezioni quadrate a sezioni tonde. Generalmente utilizzato alla partenza di caminetti ed è possibile realizzare sezioni rettangolari.

MAT-raccordo-tramoggia

Codice Dn A B
4122 0080 80
4122 0100 100
4122 0120 120
4122 0130 130
41220140 140
41220150 150
41220160 160
4507 0180 180 280 180
4507 0200 200 280 200
41220230 230 280 230
4507 0250 250 280 250
4507 0300 300 280 300
41220350 350 280 350
41220400 400 280 400

CURVA A 30°

Componente che permette di inclinare l’asse verticale del camino, canna fumaria, condotto e del canale da fumo di 30°.

MAT-curva-30

Codice Dn A B C
4503 0080 80 176 40 47
4503 0100 100 187 40 50
4503 0120 120 179 40 48
4503 0130 130 176 40 47
4503 0140 140 170 40 45
4503 0150 150 187 40 50
4503 0160 160 187 40 50
4503 0180 180 194 40 52
4503 0200 200 212 40 57
4503 0230 230 194 40 52
4503 0250 250 212 40 57
4503 0300 300 212 40 57
4503 0350 350 212 40 58
4503 0400 400 212 40 58

CURVA A 45°

Componente che permette di inclinare l’asse verticale del camino, canna fumaria, condotto e del canale da fumo di 45°.

MAT-curva-45

Codice Dn A B D
4504 0080 80 183 40 76
4504 0100 100 190 40 79
4504 0120 120 183 40 76
4504 0130 130 183 40 76
4504 0140 140 183 40 76
4504 0150 150 190 40 79
4504 0160 160 183 40 76
4504 0180 180 200 40 83
4504 0200 200 230 40 93
4504 0230 230 200 40 83
4504 0250 250 230 40 93
4504 0300 300 230 40 93
4504 0350 350 261 40 108
4504 0400 400 272 40 113

CURVA A 90

Componente che permette di inclinare l’asse verticale di 90°.

MAT-curva-90

Codice Dn A B C
4505 0080 80 175 40 175
4505 0100 100 175 40 175
4505 0120 120 180 40 180
4505 0130 130 180 40 180
4505 0140 140 190 40 190
4505 0150 150 190 40 190
4505 0160 160 210 40 210
4505 0180 180 215 40 215
4505 0200 200 233 40 233
4505 0230 230 233 40 233
4505 0250 250 255 40 255
4505 0300 300 305 40 305
4505 0350 350 300 40 300
4505 0400 400 355 40 355

 CURVA REGOLABILE

Componente che permette di inclinare l’andamento da verticale a 90°. Prodotto non coperto da marcatura CE.

MAT-curva-regolabile

Codice Dn A B C
4522 0080 80 165 40 250
4522 0100 100 170 40 280
4522 0120 120 180 40 300
4522 0130 130 185 40 310
4522 0140 140 190 40 310
4522 0150 150 195 40 310
4522 0160 160 200 40 325
4522 0180 180 205 40 360
4522 0200 200 210 40 365
4522 0230 230 40
4522 0250 250 300 40 515
4522 0300 300 340 40 550
4522 0350 350 40
4522 0400 400 40

RACCORDO ISPEZIONE CON TAPPO A TENUTA (T200)

Componente necessario per gli interventi di pulizia e manutenzione, da collocare al di sotto degli allacciamenti o in eventuali posizioni prescritte dalla normativa. Idoneo per fumi umidi e in pressione positiva: T200-P1-W.

MAT-raccordo-ispezione-tappo-tenuta

Codice Dn A B C A/2
4537 0080 80 328 40 80 164
4537 0100 100 328 40 100 164
4537 0120 120 328 40 120 164
4537 0130 130 328 40 130 164
4537 0140 140 328 40 140 164
4537 0150 150 328 40 150 164
4537 0160 160 328 40 160 164
4537 0180 180 495 40 180 247,5
4537 0200 200 495 40 200 247,5
4537 0230 230 495 40 200 247,5
4537 0250 250 495 40 200 247,5
4537 0300 300 495 40 200 247,5
4537 0350 350 495 40 200 247,5
4537 0400 400 495 40 200 247,5 

RACCORDO ISPEZIONE CON TAPPO A TENUTA (T600)

Componente necessario per gli interventi di pulizia e manutenzione, da collocare al di sotto degli allacciamenti o in eventuali posizioni prescritte dalla normativa. Idoneo per fumi secchi e in pressione negativa: T600-N1-D.

MAT-raccordo-ispezione-tappo-T600

Codice Dn A B C A/2
4591 0080 80 328 40 80 164
4591 0100 100 328 40 100 164
4591 0120 120 328 40 120 164
4591 0130 130 328 40 130 164
4591 0140 140 328 40 140 164
4591 0150 150 328 40 150 164
4591 0160 160 328 40 160 164
4591 0180 180 495 40 180 247,5
4591 0200 200 495 40 200 247,5
4591 0230 230 495 40 200 247,5
4591 0250 250 495 40 200 247,5
4591 0300 300 495 40 200 247,5
4591 0350 350 495 40 200 247,5
4591 0400 400 495 40 200 247,5

RACCOGLI CONDENSA CON SPORTELLO ERMETICO

Componente che permette di raccogliere la condensa e/o l’impurità; da porre alla base del camino/canna fumaria. E’ munito di contenitore asportabile e di sportello ermetico.

MAT-raccogli-condensa

Codice Dn A B C
4516 0080 80
4516 0100 100
4516 0120 120 160 220 140
4516 0130 130 160 220 140
4516 0140 140 160 220 200
4516 0150 150 160 220 200
4516 0160 160 160 220 270
4516 0180 180 220 290 270
4516 0200 200 220 290 270
4516 0230 230 220 290 270
4516 0250 250 220 290 270
4516 0300 300 220 390 390
4516 0350 350
4516 0400 400

RACCORDO ISPEZIONE CON SPORTELLO

Componente necessario per gli interventi di pulizia e manutenzione, da collocare al di sotto degli allacciamenti o in eventuali posizioni prescritte dalla normativa. La classe di temperatura è di T450.

MAT-raccordo-ispezione-sportello

Codice Dn A B C D E
4514 0080 80
4514 0100 100
4514 0120 120 495 40 248 113 190
4514 0130 130 495 40 248 113 190
4514 0140 140 495 40 248 113 190
4514 0150 150 495 40 248 113 190
4514 0160 160 495 40 248 113 190
4514 0180 180 495 40 248 113 190
4514 0200 200 495 40 248 113 190
4514 0230 230 495 40 248 200 290
4514 0250 250 495 40 248 200 290
4514 0300 300 495 40 248 200 290
4514 0350 350 495 40 248 162 222
4514 0400 400 495 40 248 162 222

RACCORDO CONTROLLO FUMI (NO PIROMETRO)

Componente utilizzato per il controllo della temperatura dei fumi e la loro qualitĂ . Da collocare al di sopra degli allacciamenti, per impianti superiori alle 35 KW, in prossimitĂ  del terminale per impianti aventi potenzialitĂ  superiore alle 581 KW (DPR 1391/70).

MAT-raccordo-controllo-fumi

Codice Dn A B C D E
4515 0080 80
4515 0100 100
4515 0120 120 495 40 248 113 190
4515 0130 130 495 40 248 113 190
4515 0140 140 495 40 248 113 190
4515 0150 150 495 40 248 113 190
4515 0160 160 495 40 248 113 190
4515 0180 180 495 40 248 113 190
4515 0200 200 495 40 248 113 190
4515 0230 230 495 40 248 113 190
4515 0250 250 495 40 248 113 190
4515 0300 300 495 40 248 113 190
4515 0350 350 495 40 248 113 190
4515 0400 400 495 40 248 113 190

ELEMENTO CON VITE PER ANALISI FUMI

Componente utilizzato per l’analisi dei fumi di impianti singoli e collettivi collegati ad apparecchi di Tipo C (UNI 10641/97).

MAT-elemento-vite-analisi-fumi

Codice Dn A B C
4536 0080 80 245 40 122,5
4536 0100 100 245 40 122,5
4536 0120 120 245 40 122,5
4536 0130 130 245 40 122,5
4536 0140 140 245 40 122,5
4536 0150 150 245 40 122,5
4536 0160 160 245 40 122,5
4536 0180 180 245 40 122,5
4536 0200 200 245 40 122,5
4536 0230 230 245 40 122,5
4536 0250 250 245 40 122,5
4536 0300 300 245 40 122,5
4536 0350 350 245 40 122,5
4536 0400 400 245 40 122,5

 

TESTA CAMINO CINESE

Componente da collocare alla sommitĂ , protegge suffi cientemente dalla pioggia e dalla neve..

MAT-testa-camino-cinese

Codice Dn A B
4117 0080 80 120 216
4117 0100 100 120 216
4117 0120 120 150 276
4117 0130 130 150 276
4117 0140 140 150 276
4117 0150 150 150 276
4117 0160 160 150 276
4117 0180 180 200 395
4117 0200 200 200 395
4117 0230 230 200 395
4117 0250 250 210 395
4117 0300 300 250 471
4117 0350 350 260 471
4117 0400 400 290 600

TESTA CAMINO ANTIVENTO

Componente da collocare alla sommitĂ , protegge dalla neve, pioggia e vento.

MAT-testa-camino-antivento

Codice Dn A B C
4518 0080 80 215 40 250
4518 0100 100 215 40 250
4518 0120 120 215 40 300
4518 0130 130 215 40 300
4518 0140 140 215 40 300
4518 0150 150 283 40 300
4518 0160 160 283 40 300
4518 0180 180 283 40 400
4518 0200 200 283 40 400
4518 0230 230 333 40 500
4518 0250 250 333 40 500
4518 0300 300 415 40 550
4518 0350 350 415 40 600
4518 0400 400 415 40 600

GOCCIOLATOIO

Componente da collocare alla base del camino, la sua particolarità è che viene realizzato tramite imbutitura di un disco piano. Inoltre lo scarico condensa è realizzato in inox, filettato 3/4 pollice e viene fissato tramite saldatura.

MAT-gocciolatoio

Codice Dn A
4509 0080 80 75
4509 0100 100 79
4509 0120 120 82
4509 0130 130 85
4509 0140 140 87
4509 0150 150 89
4509 0160 160 91
4509 0180 180 95
4509 0200 200 98
4509 0230 230 95
4509 0250 250 109
4509 0300 300 107
4509 0350 350 112
4509 0400 400 115

GOCCIOLATOIO CON BASE D’APPOGGIO

Componente che ripropone le stesse caratteristiche del gocciolatoio, in più è dotato di base d’appoggio che permette di partire con il camino/canna fumaria da terra.

MAT-gocciolatoio-base-appoggio

Codice Dn A
4534 0080 80 226
4534 0100 100 226
4534 0120 120 226
4534 0130 130 231
4534 0140 140 231
4534 0150 150 236
4534 0160 160 236
4534 0180 180 236
4534 0200 200 236
4534 0230 230 241
4534 0250 250 241
4534 0300 300 241
4534 0350 350 241
4534 0400 400 241

ELEMENTO BICCHIERATO DOPPIO FEMMINA

Componente lineare caratterizzato da due bicchieri femmina.

MAT-elemento-bicchierato-doppio-femmina

Codice Dn A
4531 0080 80 120
4531 0100 100 120
4531 0120 120 120
4531 0130 130 120
4531 0140 140 120
4531 0150 150 120
4531 0160 160 120
4531 0180 180 120
4531 0200 200 120
4531 0230 230 120
4531 0250 250 120
4531 0300 300 120
4531 0350 350 120
4531 0400 400 120

ELEMENTO BICCHIERATO DOPPIO MASCHIO

Componente lineare caratterizzato da due bicchieri maschio.

MAT-elemento-bicchierato-doppio-maschio

Codice Dn A B
4529 0080 80 120 40
4529 0100 100 120 40
4529 0120 120 120 40
4529 0130 130 120 40
4529 0140 140 120 40
4529 0150 150 120 40
4529 0160 160 120 40
4529 0180 180 120 40
4529 0200 200 120 40
4529 0230 230 120 40
4529 0250 250 120 40
4529 0300 300 120 40
4529 0350 350 120 40
4529 0400 400 120 40

ANELLO DI TENUTA T200

Componente necessario per ottenere la tenuta del condotto, camino, canna fumaria e del canale da fumo. Colore nero, designazione T200 (temperatura di prova 250°C) e non è disponibile nel diam.400. Conforme alla normativa UNI EN 14241/1 T200 W2 K2.

MAT-anello-tenuta

Codice Dn A
4021 0080 80 12
4021 0100 100 12
4021 0120 120 12
4021 0130 130 12
4021 0140 140 12
4021 0150 150 12
4021 0160 160 12
4021 0180 180 12
4021 0200 200 12
4021 0230 230 12
4021 0250 250 12
4021 0300 300 12
4021 0350 350 12

ELEMENTO USCITA A 0°

Componente utilizzato per raccordare camini, condotti e canali da fumo di diversa sezione. In modo repentino.

MAT-elemento-uscita-0

Codice Dn A B C D
4548 0080 80 160 40 241 250
4548 0100 100 160 40 241 250
4548 0120 120 160 40 241 250
4548 0130 130 160 40 241 250
4548 0140 140 160 40 241 250
4548 0150 150 160 40 241 250
4548 0160 160 160 40 241 250
4548 0180 180 160 40 320 320
4548 0200 200 160 40 320 320
4548 0230 230 160 40 320 320
4548 0250 250 160 40 320 320
4548 0300 300 160 40 400 400
4548 0350 350 160 40 480 480
4548 0400 400 160 40 480 480

RIDUZIONI TRONCHE DA Ø GRANDE FEMMINA A Ø PICCOLO MASCHIO

Componente necessario per sostenere il peso del camino/canna fumaria. La base può essere fi ssata a pavimento permettendo l’attraversamento dei solai.

MAT-riduzioni-tronche

Codice Dn A B
4526 0080 80 160 40
4526 0100 100 160 40
4526 0120 120 160 40
4526 0130 130 160 40
4526 0140 140 160 40
4526 0150 150 160 40
4526 0160 160 160 40
4526 0180 180 160 40
4526 0200 200 160 40
4526 0230 230 160 40
4526 0250 250 160 40
4526 0300 300 160 40
4526 0350 350 160 40
4526 0400 400 160 40
  • Cod. 4124: Versione maschio-maschio
  • Cod. 4123: Versione femmina-femmina
  • Cod. 4524: Versione diametro grande maschio – diametro piccolo femmina

RIDUZIONI CONICHE

Componente utilizzato per raccordare camini, condotti e canali da fumo di diversa sezione in modo graduale.

MAT-riduzioni-coniche

Codice Dn A B
4523 0080 80 240 40
4523 0100 100 240 40
4523 0120 120 240 40
4523 0130 130 240 40
4523 0140 140 240 40
4523 0150 150 240 40
4523 0160 160 240 40
4523 0180 180 240 40
4523 0200 200 240 40
4523 0230 230 240 40
4523 0250 250 240 40
4523 0300 300 240 40
4523 0350 350 240 40
4523 0400 400 240 40
Mat-Aria-finitura-rame-grest

TESTA DI MORO OPACO EFFETTO DAMASCATO (RAL 8017)

In caso di temperatura rilevata (sulla parete esterna) superiore a 250° la vernice applicata può esfoliare e staccarsi.

Mat-Aria-finitura-testa-di-moro

FINITURA PARETE ESTERNA TESTA DI MORO OPACO
(RAL 8017)

In caso di temperatura rilevata (sulla parete esterna) superiore a 250° la vernice applicata può esfoliare e staccarsi.

Mat-Aria-finitura-nero-opacco

FINITURA PARETE ESTERNA BLACK

In caso di temperatura rilevata(sulla parete esterna)superiore ai 450°, la vernice applicata può sbiancare.

Mat-Aria-finitura-nero-opacco

FINITURA PARETE ESTERNA BIANCO (RAL 9010)

In caso di temperatura rilevata(sulla parete esterna)superiore ai 250°, la vernice applicata può sbiancare.

ATTRIBUTI PRINCIPALI
  • Realizzato in acciaio inox AISI 316L BA spessore 0,5 mm;
  • AdattabilitĂ  ad ogni situazione;
  • Facile e veloce da montare;
  • Anello di tenuta certificato EN 14241-1;
  • Convenienza;
  • Completezza di gamma.
indice categoria 
Clear Filters
MONOPARETE ACCIAIO INOX AISI 316L AD INNESTO RAPIDO CON FASCETTA DI BLOCCAGGIO
MONOPARETE ACCIAIO INOX AISI 316L AD INNESTO RAPIDO CON FASCETTA DI BLOCCAGGIO
ACCESSORI – COMPONENTI PER IL SOSTEGNO E IL FISSAGGIO DI CAMINI
ACCESSORI – COMPONENTI PER IL SOSTEGNO E IL FISSAGGIO DI CAMINI
MONOPARETE ACCIAIO INOX AISI 316L A SEZIONE OVALE
MONOPARETE ACCIAIO INOX AISI 316L A SEZIONE OVALE
SERIE FLEX – FLESSIBILE IN ACCIAIO INOX AISI 316L CON PARETE INTERNA LISCIA
SERIE FLEX – FLESSIBILE IN ACCIAIO INOX AISI 316L CON PARETE INTERNA LISCIA
ISOLANTI – COIBENTAZIONI PER CAMINI MONOPARETE IN LANA MINERALE
ISOLANTI – COIBENTAZIONI PER CAMINI MONOPARETE IN LANA MINERALE
ATTRIBUTI PRINCIPALI
  • Realizzato in acciaio inox AISI 316L BA spessore 0,5 mm;
  • AdattabilitĂ  ad ogni situazione;
  • Facile e veloce da montare;
  • Anello di tenuta certificato EN 14241-1;
  • Convenienza;
  • Completezza di gamma.
Specifica del materiale
Diametro interno (mm): 80•100•120•130•140•150•160•180•200•230•250•300•350•400
Parete interna Spessore nominale 0.5mm

QualitĂ  1.4404 (Acciaio Inox AISI 316L)

Resistenza termica di parete m2K/W a 200°C Senza isolamento = 0,00
Anello di tenuta Guarnizione profilata ad anello con tre labbra di tenuta di silicone nero rispondente alla UNI EN 14241/1
RugositĂ  Valore medio 1mm
Informazioni generali
Installazione Interna Si

Esterna NO non resiste alla penetrazione dell’acqua piovana

Campi di applicazione Condotti, camini, canali da fumo, collettori e canne fumarie collegati a caldaie ad aria soffiata, atmosferiche, pressurizzate, apparecchi di tipo B, C, condensazione, caminetti, stufe, cappe cucine, forni e condotti di ventilazione
Combustibili ammessi T200 Gas, Gasolio, GPL, Pellet

T600 Gas, Gasolio, GPL, Pellet e Legna

Conservazione In ambienti dove l’atmosfera non sia corrosiva
Garanzia sul prodotto Come da direttiva 99/44/CE
Sostanze pericolose Nessuna
Resistenza gelo – disgelo Soddisfatto UNI EN 1856-1
Contatto accidentale E’ necessario l’utilizzo di schermi protettivi quanto la temperatura superficiale di parete è superiore a 70°C
Stoccaggio Non stoccare il materiale in vicinanze di materiali ferrosi, gli ambienti devono essere asciutti e protetti dagli agenti atmosferici
Limiti di impiego Ambienti come lavanderie, tintorie, pelliccerie, tipografie, saloni di cosmesi o dove ci sia la presenza di vapori alogeni o cromati è sconsigliato l’utilizzo di sistemi fumari in acciaio inox
Designazione del prodotto secondo la norma EN 1856-2 Condotto Canale da fumo
N° della norma EN 1856-2 EN 856-2
Livello di temperatura T200 T200
Livello di pressione P1 P1
Resistenza alla condensa W W
Resistenza alla corrosione V2 V2
Sp. della parete interna L50050 L50050
Resistenza al fuoco da dentro e distanza dai materiali combustibili O O(30) M
Designazione del prodotto secondo Norma EN 1856-2: Condotto Canale da fumo
N° della norma EN 1856-2 EN 1856-2
Livello di temperatura T600 T600
Livello di pressione N1 N1
Resistenza alla condensa D D
Resistenza alla corrosione V2 V2
Sp. della parete interna L50050 L50050
Resistenza al fuoco da dentro e distanza dai materiali combustibili G G(600) M
Requisiti di prestazione secondo la designazione
Livello di temperatura T200

T600

funzionamento con temperatura nominale dei fumi minore di 200°C

funzionamento con temperatura nominale dei fumi minore di 600°C

Livello di pressione P1

N1

funzionamento com pressione positiva e negativa fino a 200Pa. Perdita ammissibile minore di 0,006 l/m2 

funzionamento con pressione positiva e negativa fino a 40Pa. Perdita ammissibile minore di 2,0l/sm2

Resistenza alla condensa W

D

funzionamento con fumi umidi e secchi

funzionamento con fumi secchi

Resistenza alla corrosione V2  V2 funzionamento con Gas-Gasolio-GPL-Pellet-Legna
Specifica della parete interna L50 L50 spessore nominale 0,5 mm
Spessore della parete interna O non resiste al fuoco da dentro
Resistemza al fuoco da dentro G resiste al fuoco da dentro
Distanza dai materiali  combustibili (30) M

(600) M

(30)=minimo 30mm; M= valore ottenuto mediante prova di laboratorio

(600)=minimo 600mm; M= valore ottenuto mediante prova di laboratorio

INSTRUZIONI DI INSTALLAZIONE

MAT-installazione

  • Posizionare gli elementi come indicato dalla freccia stampigliata sull’etichetta e riportata sul pezzo.
  • Con utilizzo a T200_P1_W posizionare l’anello di tenuta nell’apposita sede posta nella bicchieratura femmina.
  • L’anello di tenuta deve essere posizionato con le tre labbra rivolte verso l’interno della tubazione.
  • Per non danneggiare la stessa e per facilitare l’inserimento deve essere utilizzato del talco o del sapone.
  • Nel caso di utilizzo T600_N1_D utilizzare il prodotto senza l’anello di tenuta.
  • Dopo aver innestato i pezzi montare e serrare l’apposita fascetta di bloccaggio ad ogni congiunzione.
  • Rispettare i carichi a compressione e le installazioni non verticali.
  • Evitare ristagni di condensa o fuliggine che potrebbero essere causa di corrosione. Inoltre evitare tratti orizzontali e comunque installare gli elementi con la saldatura longitudinale rivolta verso l’alto (pendenza 3%).

CARATTERISTICHE ESSENZIALI

Resistenza al carico del vento:

  • Distanza tra le staffe a muro: NPD m
  • Lunghezza libera dall’ultima staffa: NPD m

Resistenza a compressione:

  • Carico massimo elementi lineari: 8m
  • Carico massimo raccordo retto a 90°: 8m
  • Carico massimo supporto camino a muro: 8m

N.B. i valori sopra riportati si riferiscono alla condizione peggiore. Per maggiori informazioni vedi (Tabella Resistenza meccanica)

Resistenza a trazione e flessione (elementi lineari):

  • Carico massimo a trazione (mezzi di connessione degli elementi e dei raccordi del camino): 16m
  • Installazioni non verticali: max. 90°
  • Installazioni non verticali: distanza tra i supporti camino a muro = 2m

Resistenza a trazione e flessione (elementi non lineari):

  • Installazioni non verticali: NPD

MANUTENZIONE SISTEMI FUMARI

Manutenzione programmata effettuata da personale qualificato:

  • Fatte salve diverse disposizioni normative e accordi con gli utenti si consiglia la seguente scadenza di manutenzione:
    • combustibili gassosi: 1 / anno;
    • combustibili liquidi: 1 / 6 mesi;
    • combustibili solidi: 1 / mese.
  • Pulizia mediante scovolo in plastica morbida o spugna del canale da fumo, del vano tecnico per l’adduzione e la ventilazione dei condotti, del raccordo ispezione, del comignolo, verifi ca del libero defl usso dei fumi e dei condensati, ecc.

COMPONENTI DEL SISTEMA

ELEMENTO LINEARE DA 1 M

Componente modulare di altezza 995 mm da utilizzare in tratti verticali o sub-orizzontali. Deve essere applicato come indicato dalla freccia stampata sull’etichetta.

MAT-elemento-lineare

Codice Dn A B
4410 0080 80 995 40
4410 0100 100 995 40
4410 0120 120 995 40
4410 0130 130 995 40
4410 0140 140 995 40
4410 0150 150 995 40
4410 0160 160 995 40
4410 0180 180 995 40
4410 0200 200 995 40
4410 0230 230 995 40
4410 0250 250 995 40
4410 0300 300 995 40
4410 0350 350 995 40
4410 0400 400 995 40

ELEMENTO LINEARE DA 0,5 M

Componente modulare di altezza 495 mm da utilizzare in tratti verticali o sub-orizzontali. Deve essere applicato come indicato dalla freccia stampata sull’etichetta.

Codice Dn A B
4405 0080 80 495 40
4405 0100 100 495 40
4405 0120 120 495 40
4405 0130 130 495 40
4405 0140 140 495 40
4405 0150 150 495 40
4405 0160 160 495 40
4405 0180 180 495 40
4405 0200 200 495 40
4405 0230 230 495 40
4405 0250 250 495 40
4405 0300 300 495 40
4405 0350 350 495 40
4405 0400 400 495 40

ELEMENTO LINEARE DA 0,25 M

Componente modulare di altezza 245 mm da utilizzare in tratti verticali o sub-orizzontali. Deve essere applicato come indicato dalla freccia stampata sull’etichetta.

Codice Dn A B
4402 0080 80 245 40
4402 0100 100 245 40
4402 0120 120 245 40
4402 0130 130 245 40
4402 0140 140 245 40
4402 0150 150 245 40
4402 0160 160 245 40
4402 0180 180 245 40
4402 0200 200 245 40
4402 0230 230 245 40
4402 0250 250 245 40
4402 0300 300 245 40
4402 0350 350 245 40
4402 0400 400 245 40

ELEMENTO SCORREVOLE

Componente utilizzato nei tratti sub orizzontali o verticali, dove non è possibile utilizzare un elemento lineare standard a causa di una distanza non defi nita. Può essere inserito in tutti gli elementi lineari in quanto scorre al loro interno. Si consiglia di utilizzarlo solo per impianti fumari in depressione e a secco. Nel caso in cui si utilizzi in verticale è necessario posizionare, al di sopra, un supporto camino a muro (4519).

MAT-elemento-scorrevole

Codice Dn A B
4499 0080 80 495 78
4499 0100 100 495 98
4499 0120 120 495 118
4499 0130 130 495 128
4499 0140 140 495 138
4499 0150 150 495 148
4499 0160 160 495 158
4499 0180 180 495 178
4499 0200 200 495 198
4499 0230 230 495 228
4499 0250 250 495 248
4499 0300 300 495 298
4499 0350 350 495 348
4499 0400 400 495 398

RACCORDO RETTO A 90° – INNESTO FEMMINA

Componente che permette di allacciare a 90° il condotto,camino, canna fumaria al canale da fumo. La particolarità di questo elemento è che viene ottenuto tramite estrusione permettendo così di poter saldare in continuo l’innesto femmina.

MAT-raccordo-retto-90-femmina

Codice Dn A B A/2
4506 0080 80 328 40 164
4506 0100 100 328 40 164
4506 0120 120 328 40 164
4506 0130 130 328 40 164
4506 0140 140 328 40 164
4506 0150 150 328 40 164
4506 0160 160 328 40 164
4506 0180 180 495 40 247,5
4506 0200 200 495 40 247,5
4506 0230 230 495 40 247,5
4506 0250 250 495 40 247,5
4506 0300 300 495 40 247,5
4506 0350 350 595 40 297,5
4506 0400 400 595 40 297,5

per innesto maschio COD 4546

RACCORDO RETTO A 90 RIDUZIONE DIAM 80 – INNESTO FEMMINA

Componente che permette di allacciare a 90° il condotto, camino, canna fumaria al canale da fumo con diametro 80 mm. La particolarità di questo elemento è che viene ottenuto tramite estrusione permettendo così di poter saldare in continuo l’innesto femmina.

MAT-raccordo-retto-90-rid80-femmina

Codice Dn A B A/2
4527 0080 80 328 40 164
4527 0100 100 328 40 164
4527 0120 120 328 40 164
4527 0130 130 328 40 164
4527 0140 140 328 40 164
4527 0150 150 328 40 164
4527 0160 160 328 40 164
4527 0180 180 328 40 164
4527 0200 200 328 40 164
4527 0230 230 328 40 164
4527 0250 250 328 40 164
4527 0300 300 328 40 164
4527 0350 350
4527 0400 400

per innesto maschio COD 4528

RACCORDO OBLIQUO A 135° – INNESTO MASCHIO

Componente che permette di allacciare a 135° il camino, canna fumaria al canale da fumo. Per la sua conformazione può essere utilizzato per fumi secchi e in depressione N1-D.

MAT-raccordo-obliquo-135-maschio

Codice Dn A B C D E
4507 0080 80 328 40 100 200 149
4507 0100 100 328 40 100 210 149
4507 0120 120 328 40 100 235 173
4507 0130 130 495 40 120 360 261
4507 0140 140 495 40 120 360 261
4507 0150 150 495 40 132 360 262
4507 0160 160 495 40 120 360 261
4507 0180 180 495 40 120 360 261
4507 0200 200 495 40 132 360 262
4507 0230 230 495 40 120 360 261
4507 0250 250 615 40 152 460 332
4507 0300 300 615 40 152 460 332
4507 0350 350 760 40 180 580 382
4507 0400 400 760 40 180 580 424

 RACCORDO A TRAMOGGIA

Componente utilizzato per raccordare sezioni quadrate a sezioni tonde. Generalmente utilizzato alla partenza di caminetti ed è possibile realizzare sezioni rettangolari.

MAT-raccordo-tramoggia

Codice Dn A B
4122 0080 80
4122 0100 100
4122 0120 120
4122 0130 130
41220140 140
41220150 150
41220160 160
4507 0180 180 280 180
4507 0200 200 280 200
41220230 230 280 230
4507 0250 250 280 250
4507 0300 300 280 300
41220350 350 280 350
41220400 400 280 400

CURVA A 30°

Componente che permette di inclinare l’asse verticale del camino, canna fumaria, condotto e del canale da fumo di 30°.

MAT-curva-30

Codice Dn A B C
4503 0080 80 176 40 47
4503 0100 100 187 40 50
4503 0120 120 179 40 48
4503 0130 130 176 40 47
4503 0140 140 170 40 45
4503 0150 150 187 40 50
4503 0160 160 187 40 50
4503 0180 180 194 40 52
4503 0200 200 212 40 57
4503 0230 230 194 40 52
4503 0250 250 212 40 57
4503 0300 300 212 40 57
4503 0350 350 212 40 58
4503 0400 400 212 40 58

CURVA A 45°

Componente che permette di inclinare l’asse verticale del camino, canna fumaria, condotto e del canale da fumo di 45°.

MAT-curva-45

Codice Dn A B D
4504 0080 80 183 40 76
4504 0100 100 190 40 79
4504 0120 120 183 40 76
4504 0130 130 183 40 76
4504 0140 140 183 40 76
4504 0150 150 190 40 79
4504 0160 160 183 40 76
4504 0180 180 200 40 83
4504 0200 200 230 40 93
4504 0230 230 200 40 83
4504 0250 250 230 40 93
4504 0300 300 230 40 93
4504 0350 350 261 40 108
4504 0400 400 272 40 113

CURVA A 90

Componente che permette di inclinare l’asse verticale di 90°.

MAT-curva-90

Codice Dn A B C
4505 0080 80 175 40 175
4505 0100 100 175 40 175
4505 0120 120 180 40 180
4505 0130 130 180 40 180
4505 0140 140 190 40 190
4505 0150 150 190 40 190
4505 0160 160 210 40 210
4505 0180 180 215 40 215
4505 0200 200 233 40 233
4505 0230 230 233 40 233
4505 0250 250 255 40 255
4505 0300 300 305 40 305
4505 0350 350 300 40 300
4505 0400 400 355 40 355

 CURVA REGOLABILE

Componente che permette di inclinare l’andamento da verticale a 90°. Prodotto non coperto da marcatura CE.

MAT-curva-regolabile

Codice Dn A B C
4522 0080 80 165 40 250
4522 0100 100 170 40 280
4522 0120 120 180 40 300
4522 0130 130 185 40 310
4522 0140 140 190 40 310
4522 0150 150 195 40 310
4522 0160 160 200 40 325
4522 0180 180 205 40 360
4522 0200 200 210 40 365
4522 0230 230 40
4522 0250 250 300 40 515
4522 0300 300 340 40 550
4522 0350 350 40
4522 0400 400 40

RACCORDO ISPEZIONE CON TAPPO A TENUTA (T200)

Componente necessario per gli interventi di pulizia e manutenzione, da collocare al di sotto degli allacciamenti o in eventuali posizioni prescritte dalla normativa. Idoneo per fumi umidi e in pressione positiva: T200-P1-W.

MAT-raccordo-ispezione-tappo-tenuta

Codice Dn A B C A/2
4537 0080 80 328 40 80 164
4537 0100 100 328 40 100 164
4537 0120 120 328 40 120 164
4537 0130 130 328 40 130 164
4537 0140 140 328 40 140 164
4537 0150 150 328 40 150 164
4537 0160 160 328 40 160 164
4537 0180 180 495 40 180 247,5
4537 0200 200 495 40 200 247,5
4537 0230 230 495 40 200 247,5
4537 0250 250 495 40 200 247,5
4537 0300 300 495 40 200 247,5
4537 0350 350 495 40 200 247,5
4537 0400 400 495 40 200 247,5 

RACCORDO ISPEZIONE CON TAPPO A TENUTA (T600)

Componente necessario per gli interventi di pulizia e manutenzione, da collocare al di sotto degli allacciamenti o in eventuali posizioni prescritte dalla normativa. Idoneo per fumi secchi e in pressione negativa: T600-N1-D.

MAT-raccordo-ispezione-tappo-T600

Codice Dn A B C A/2
4591 0080 80 328 40 80 164
4591 0100 100 328 40 100 164
4591 0120 120 328 40 120 164
4591 0130 130 328 40 130 164
4591 0140 140 328 40 140 164
4591 0150 150 328 40 150 164
4591 0160 160 328 40 160 164
4591 0180 180 495 40 180 247,5
4591 0200 200 495 40 200 247,5
4591 0230 230 495 40 200 247,5
4591 0250 250 495 40 200 247,5
4591 0300 300 495 40 200 247,5
4591 0350 350 495 40 200 247,5
4591 0400 400 495 40 200 247,5

RACCOGLI CONDENSA CON SPORTELLO ERMETICO

Componente che permette di raccogliere la condensa e/o l’impurità; da porre alla base del camino/canna fumaria. E’ munito di contenitore asportabile e di sportello ermetico.

MAT-raccogli-condensa

Codice Dn A B C
4516 0080 80
4516 0100 100
4516 0120 120 160 220 140
4516 0130 130 160 220 140
4516 0140 140 160 220 200
4516 0150 150 160 220 200
4516 0160 160 160 220 270
4516 0180 180 220 290 270
4516 0200 200 220 290 270
4516 0230 230 220 290 270
4516 0250 250 220 290 270
4516 0300 300 220 390 390
4516 0350 350
4516 0400 400

RACCORDO ISPEZIONE CON SPORTELLO

Componente necessario per gli interventi di pulizia e manutenzione, da collocare al di sotto degli allacciamenti o in eventuali posizioni prescritte dalla normativa. La classe di temperatura è di T450.

MAT-raccordo-ispezione-sportello

Codice Dn A B C D E
4514 0080 80
4514 0100 100
4514 0120 120 495 40 248 113 190
4514 0130 130 495 40 248 113 190
4514 0140 140 495 40 248 113 190
4514 0150 150 495 40 248 113 190
4514 0160 160 495 40 248 113 190
4514 0180 180 495 40 248 113 190
4514 0200 200 495 40 248 113 190
4514 0230 230 495 40 248 200 290
4514 0250 250 495 40 248 200 290
4514 0300 300 495 40 248 200 290
4514 0350 350 495 40 248 162 222
4514 0400 400 495 40 248 162 222

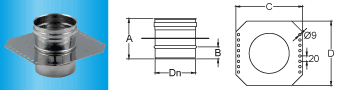
RACCORDO CONTROLLO FUMI (NO PIROMETRO)

Componente utilizzato per il controllo della temperatura dei fumi e la loro qualitĂ . Da collocare al di sopra degli allacciamenti, per impianti superiori alle 35 KW, in prossimitĂ  del terminale per impianti aventi potenzialitĂ  superiore alle 581 KW (DPR 1391/70).

MAT-raccordo-controllo-fumi

Codice Dn A B C D E
4515 0080 80
4515 0100 100
4515 0120 120 495 40 248 113 190
4515 0130 130 495 40 248 113 190
4515 0140 140 495 40 248 113 190
4515 0150 150 495 40 248 113 190
4515 0160 160 495 40 248 113 190
4515 0180 180 495 40 248 113 190
4515 0200 200 495 40 248 113 190
4515 0230 230 495 40 248 113 190
4515 0250 250 495 40 248 113 190
4515 0300 300 495 40 248 113 190
4515 0350 350 495 40 248 113 190
4515 0400 400 495 40 248 113 190

ELEMENTO CON VITE PER ANALISI FUMI

Componente utilizzato per l’analisi dei fumi di impianti singoli e collettivi collegati ad apparecchi di Tipo C (UNI 10641/97).

MAT-elemento-vite-analisi-fumi

Codice Dn A B C
4536 0080 80 245 40 122,5
4536 0100 100 245 40 122,5
4536 0120 120 245 40 122,5
4536 0130 130 245 40 122,5
4536 0140 140 245 40 122,5
4536 0150 150 245 40 122,5
4536 0160 160 245 40 122,5
4536 0180 180 245 40 122,5
4536 0200 200 245 40 122,5
4536 0230 230 245 40 122,5
4536 0250 250 245 40 122,5
4536 0300 300 245 40 122,5
4536 0350 350 245 40 122,5
4536 0400 400 245 40 122,5

 

TESTA CAMINO CINESE

Componente da collocare alla sommitĂ , protegge suffi cientemente dalla pioggia e dalla neve..

MAT-testa-camino-cinese

Codice Dn A B
4117 0080 80 120 216
4117 0100 100 120 216
4117 0120 120 150 276
4117 0130 130 150 276
4117 0140 140 150 276
4117 0150 150 150 276
4117 0160 160 150 276
4117 0180 180 200 395
4117 0200 200 200 395
4117 0230 230 200 395
4117 0250 250 210 395
4117 0300 300 250 471
4117 0350 350 260 471
4117 0400 400 290 600

TESTA CAMINO ANTIVENTO

Componente da collocare alla sommitĂ , protegge dalla neve, pioggia e vento.

MAT-testa-camino-antivento

Codice Dn A B C
4518 0080 80 215 40 250
4518 0100 100 215 40 250
4518 0120 120 215 40 300
4518 0130 130 215 40 300
4518 0140 140 215 40 300
4518 0150 150 283 40 300
4518 0160 160 283 40 300
4518 0180 180 283 40 400
4518 0200 200 283 40 400
4518 0230 230 333 40 500
4518 0250 250 333 40 500
4518 0300 300 415 40 550
4518 0350 350 415 40 600
4518 0400 400 415 40 600

GOCCIOLATOIO

Componente da collocare alla base del camino, la sua particolarità è che viene realizzato tramite imbutitura di un disco piano. Inoltre lo scarico condensa è realizzato in inox, filettato 3/4 pollice e viene fissato tramite saldatura.

MAT-gocciolatoio

Codice Dn A
4509 0080 80 75
4509 0100 100 79
4509 0120 120 82
4509 0130 130 85
4509 0140 140 87
4509 0150 150 89
4509 0160 160 91
4509 0180 180 95
4509 0200 200 98
4509 0230 230 95
4509 0250 250 109
4509 0300 300 107
4509 0350 350 112
4509 0400 400 115

GOCCIOLATOIO CON BASE D’APPOGGIO

Componente che ripropone le stesse caratteristiche del gocciolatoio, in più è dotato di base d’appoggio che permette di partire con il camino/canna fumaria da terra.

MAT-gocciolatoio-base-appoggio

Codice Dn A
4534 0080 80 226
4534 0100 100 226
4534 0120 120 226
4534 0130 130 231
4534 0140 140 231
4534 0150 150 236
4534 0160 160 236
4534 0180 180 236
4534 0200 200 236
4534 0230 230 241
4534 0250 250 241
4534 0300 300 241
4534 0350 350 241
4534 0400 400 241

ELEMENTO BICCHIERATO DOPPIO FEMMINA

Componente lineare caratterizzato da due bicchieri femmina.

MAT-elemento-bicchierato-doppio-femmina

Codice Dn A
4531 0080 80 120
4531 0100 100 120
4531 0120 120 120
4531 0130 130 120
4531 0140 140 120
4531 0150 150 120
4531 0160 160 120
4531 0180 180 120
4531 0200 200 120
4531 0230 230 120
4531 0250 250 120
4531 0300 300 120
4531 0350 350 120
4531 0400 400 120

ELEMENTO BICCHIERATO DOPPIO MASCHIO

Componente lineare caratterizzato da due bicchieri maschio.

MAT-elemento-bicchierato-doppio-maschio

Codice Dn A B
4529 0080 80 120 40
4529 0100 100 120 40
4529 0120 120 120 40
4529 0130 130 120 40
4529 0140 140 120 40
4529 0150 150 120 40
4529 0160 160 120 40
4529 0180 180 120 40
4529 0200 200 120 40
4529 0230 230 120 40
4529 0250 250 120 40
4529 0300 300 120 40
4529 0350 350 120 40
4529 0400 400 120 40

ANELLO DI TENUTA T200

Componente necessario per ottenere la tenuta del condotto, camino, canna fumaria e del canale da fumo. Colore nero, designazione T200 (temperatura di prova 250°C) e non è disponibile nel diam.400. Conforme alla normativa UNI EN 14241/1 T200 W2 K2.

MAT-anello-tenuta

Codice Dn A
4021 0080 80 12
4021 0100 100 12
4021 0120 120 12
4021 0130 130 12
4021 0140 140 12
4021 0150 150 12
4021 0160 160 12
4021 0180 180 12
4021 0200 200 12
4021 0230 230 12
4021 0250 250 12
4021 0300 300 12
4021 0350 350 12

ELEMENTO USCITA A 0°

Componente utilizzato per raccordare camini, condotti e canali da fumo di diversa sezione. In modo repentino.

MAT-elemento-uscita-0

Codice Dn A B C D
4548 0080 80 160 40 241 250
4548 0100 100 160 40 241 250
4548 0120 120 160 40 241 250
4548 0130 130 160 40 241 250
4548 0140 140 160 40 241 250
4548 0150 150 160 40 241 250
4548 0160 160 160 40 241 250
4548 0180 180 160 40 320 320
4548 0200 200 160 40 320 320
4548 0230 230 160 40 320 320
4548 0250 250 160 40 320 320
4548 0300 300 160 40 400 400
4548 0350 350 160 40 480 480
4548 0400 400 160 40 480 480

RIDUZIONI TRONCHE DA Ø GRANDE FEMMINA A Ø PICCOLO MASCHIO

Componente necessario per sostenere il peso del camino/canna fumaria. La base può essere fi ssata a pavimento permettendo l’attraversamento dei solai.

MAT-riduzioni-tronche

Codice Dn A B
4526 0080 80 160 40
4526 0100 100 160 40
4526 0120 120 160 40
4526 0130 130 160 40
4526 0140 140 160 40
4526 0150 150 160 40
4526 0160 160 160 40
4526 0180 180 160 40
4526 0200 200 160 40
4526 0230 230 160 40
4526 0250 250 160 40
4526 0300 300 160 40
4526 0350 350 160 40
4526 0400 400 160 40
  • Cod. 4124: Versione maschio-maschio
  • Cod. 4123: Versione femmina-femmina
  • Cod. 4524: Versione diametro grande maschio – diametro piccolo femmina

RIDUZIONI CONICHE

Componente utilizzato per raccordare camini, condotti e canali da fumo di diversa sezione in modo graduale.

MAT-riduzioni-coniche

Codice Dn A B
4523 0080 80 240 40
4523 0100 100 240 40
4523 0120 120 240 40
4523 0130 130 240 40
4523 0140 140 240 40
4523 0150 150 240 40
4523 0160 160 240 40
4523 0180 180 240 40
4523 0200 200 240 40
4523 0230 230 240 40
4523 0250 250 240 40
4523 0300 300 240 40
4523 0350 350 240 40
4523 0400 400 240 40
Mat-Aria-finitura-rame-grest

TESTA DI MORO OPACO EFFETTO DAMASCATO (RAL 8017)

In caso di temperatura rilevata (sulla parete esterna) superiore a 250° la vernice applicata può esfoliare e staccarsi.

Mat-Aria-finitura-testa-di-moro

FINITURA PARETE ESTERNA TESTA DI MORO OPACO
(RAL 8017)

In caso di temperatura rilevata (sulla parete esterna) superiore a 250° la vernice applicata può esfoliare e staccarsi.

Mat-Aria-finitura-nero-opacco

FINITURA PARETE ESTERNA BLACK

In caso di temperatura rilevata(sulla parete esterna)superiore ai 450°, la vernice applicata può sbiancare.

Mat-Aria-finitura-nero-opacco

FINITURA PARETE ESTERNA BIANCO (RAL 9010)

In caso di temperatura rilevata(sulla parete esterna)superiore ai 250°, la vernice applicata può sbiancare.

Clear Filters
MONOPARETE ACCIAIO INOX AISI 316L AD INNESTO RAPIDO CON FASCETTA DI BLOCCAGGIO
MONOPARETE ACCIAIO INOX AISI 316L AD INNESTO RAPIDO CON FASCETTA DI BLOCCAGGIO
ACCESSORI – COMPONENTI PER IL SOSTEGNO E IL FISSAGGIO DI CAMINI
ACCESSORI – COMPONENTI PER IL SOSTEGNO E IL FISSAGGIO DI CAMINI
MONOPARETE ACCIAIO INOX AISI 316L A SEZIONE OVALE
MONOPARETE ACCIAIO INOX AISI 316L A SEZIONE OVALE
SERIE FLEX – FLESSIBILE IN ACCIAIO INOX AISI 316L CON PARETE INTERNA LISCIA
SERIE FLEX – FLESSIBILE IN ACCIAIO INOX AISI 316L CON PARETE INTERNA LISCIA
ISOLANTI – COIBENTAZIONI PER CAMINI MONOPARETE IN LANA MINERALE
ISOLANTI – COIBENTAZIONI PER CAMINI MONOPARETE IN LANA MINERALE

Made by Quantik 🚀

Lasciaci il tuo numero di telefono. Ti chiameremo non appena un operatore sarĂ  disponibile.







    Lasciaci il tuo numero di telefono. Ti chiameremo non appena un operatore sarĂ  disponibile.